产品展示

Cases display
双直管流量计

Komer-mass-H系列/双直管质量流量计

image.png 

产品特点:

在不同过程条件下,komer质量流量计均可在测量过程中同时完成多个过程变量(质量流量、体积流量、密度、浓度、波美度、固含量、温度)等的测量

可靠的两相流测量,适用于具有挑战性的应用

采用全频域的测量方式,直接解决过零点不准问题

专为降低过程、安装和环境影响而设计

一体式结构设计、结构坚固,能抵消外部管路的压力无易损件或要更换的零件,减少了维护成本,保障了长期的可靠性

紧凑型双管测量系统

无需考虑前后直管段长度,安装简便

测量系统可选用多种防腐材质,可兼容大部分介质

 

image.png 

测量原理:

a. 直管式质量流量计是基于科氏力测量原理工作。

b. 科氏力是在旋转运动的系统中做直线运动的物体所受到的力。

c. 科氏力大小取决于运动物体的质量和其径向速度,即质量流量。传感器使用测量振动替代旋转系统的恒定角速度。

d. 液体流经测量管时,测量管振动,振动测量管受科氏力的影响,产生形变,导致测量管两端出现相位差。质量流量越大,相位差也越大。

空管时,无振动的静态仪表

image.png 

测量管

B相位差传感器

驱动线圈

单直管质量流量计包含一个测量管(A),一个驱动线圈(C),两个位于驱动线圈两侧的相位差传感器(B)。

工作状态下的仪表 

image.png 

测量管

振动方向

正弦波

当质量流量计工作时,驱动线圈驱动测量管振动,产生正弦波(E),正弦波通过两个相位差传感器检测。

介质满管时的仪表

image.png 

测量管里流通介质

正弦波

出现的相位差

当流体流过测量管时,科氏力效应在正弦波上的产品相位偏移,并通过两个相位差传感器检测。相位偏移与质量流量成正比。

温度测量

传感器内部内置PT1000高精度铂电阻传感器,分辨率可达0.01℃,准确度0.1℃,免校正。因此便可实时检测到液体温度变化情况。可用来计算液体温度效应的补偿系数。

液体的温度与密度存在一定的线性关系,根据温度变化数据,可用来计算液体温度效应的补偿系数,以准确反馈温度对液体本身密度的影响。同时公布温度补偿系数,区别于无算法用温度修正替代补偿的偏差局限。

仪表材质的温度变化也是影响相应检测结果的因素,通过实时的温度数值检测,以及材质刚性本身受温度影响的系数,将振动管材质部分温补添加到整个温度对液体影响中,才能真正准确的测量其相应的真实值。

可以根据客户需要,进行4-20毫安或485信号输出,方便客户进行工艺指导与调控。

 

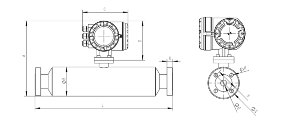
外形图

法兰型

image.png 

 

image.png 


版权所有 © 上海科睿过成测控技术有限公司   沪ICP备2026002651号-1