产品展示

Cases display
扭振式粘度计

LVS-6100系列/扭振式粘度计

image.png 

image.png 

产品特点:

传感器完全密封的焊构造,无活动及损耗部件

产品提供全量程的温度补偿

高精度及长期的稳定性

实心设计结构抗振、能承受高粘度及流体冲击

即插即用、一体免维护设计

广泛可选的耐腐蚀材料

振动、温度及压力变化影响小

可同时显示粘度、温度

安装简单方便,无特殊要求

 

 

测量原理:

LVS-6100旋转式粘度计通过驱动线圈通电使其固体杆元件产生共振,共振带动驱动轴来回扭动,使固体元件与流体产生剪切力,当该元件剪切流体时,它将因粘性阻力而耗能。能耗大小通过电路转成频率信号传输至信号处理器,然后由信号处理器转换面粘度读数。测量过程中不受温度、压力等影响。实心杆设计可以持续振动,即使在很粘稠的介质中,也保持一定的剪切力。

由于液体的剪切是用振动来实现的,没有任何活动部件,完全不受高温高压、振动、气体冲击或固体等情况的干扰。

image.png 

注:带宽=点B-点A

共振频率=(A+点B)/2

品质系数=共振频率/带宽

剪切力:

内部摩擦力阻止相邻两层流体更顺畅流动。摩擦力越大,流动所需要的力越大,即“剪切”。 只要流体有物理运动或分配,像浇注、分散、混合等都会有剪切发生。高粘物料(沥青)比低粘度物料(水)需要更大的力移动才能移动。

image.png 

温度测量

传感器内部内置PT1000高精度铂电阻传感器,分辨率可达0.01℃,准确度0.1℃,免校正。因此便可实时检测到液体温度变化情况。可用来计算液体温度效应的补偿系数。

液体的温度与密度存在一定的线性关系,根据温度变化数据,可用来计算液体温度效应的补偿系数,以准确反馈温度对液体本身密度的影响。同时公布温度补偿系数,区别于无算法用温度修正替代补偿的偏差局限。

仪表材质的温度变化也是影响相应检测结果的因素,通过实时的温度数值检测,以及材质刚性本身受温度影响的系数,将振动管材质部分温补添加到整个温度对液体影响中,才能真正准确的测量其相应的真实值。

可以根据客户需要,进行4-20毫安或485信号输出,方便客户进行工艺指导与调控。

 

 

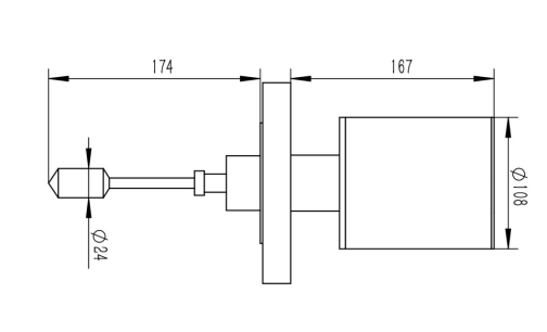
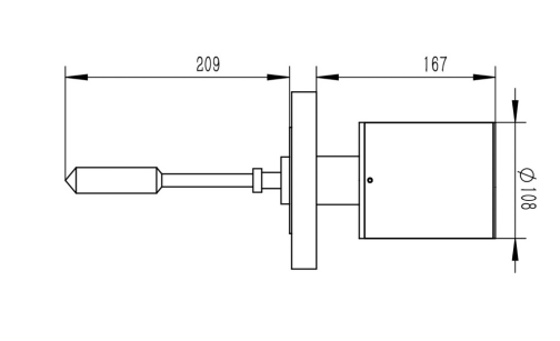
外形图

标准型

image.png 

 

 

 

大粘度型

image.png 

 

 


版权所有 © 上海科睿过成测控技术有限公司   沪ICP备2026002651号-1