产品展示
Cases display
LVS-2100系列/音叉式粘度计
产品特点:
l 可同时测量动力粘度、运动粘度、密度、温度
l 产品提供全量程温度补偿
l 电容式触摸屏灵敏度高,耐磨损,寿命长,操作简单便捷
l 采用机械顶结构,克服用胶贴片的弊端
l 长期稳定、持续高精度测量的粘度(±0.5%)和密度(±1kg/m3)测量
l 即插即用、一体式免维护设计
l 广泛可选的耐腐蚀材料
l 受振动、温度及压力变化影响小
l 危险区域认证
测量原理:
LVS-2100系列在线粘度计产品是利用振动式原理测量流过某一封闭管道中流体粘度的仪器设备,用于在线粘度的实时测量。流体粘度直接取决于叉体的振动振幅。同时有温度传感器为其提供温补, 和出厂前压力值进行压力补偿和密度补偿。
粘度标定:
叉体的固有频率带宽随着液体粘度的变化而变化。
音叉在流体中按一定频率振动,流体粘度越大,震动阻尼越大,对叉体的粘性阻尼力越强,导致振动振幅衰减越快,仪器通过检测振幅衰减量,换算出流体粘度。
注:带宽=点B-点A
共振频率=(点A+点B)/2
品质系数=共振频率/带宽
密度标定:
叉体的固有频率随着液体密度的变化而变化。
此振动元件类似于两齿的音叉,叉体因位于齿根的一个压电晶体而产生振动,振动的频率通过另一个压电晶体检测出来,此频率是与过程流体的密度成反比,处理器基于此关系计算密度信号。
温度测量:
传感器内部内置PT1000高精度铂电阻传感器,分辨率可达0.01℃,准确度0.1℃,免校正。因此便可实时检测到液体温度变化情况。可用来计算液体温度效应的补偿系数。
液体的温度与密度存在一定的线性关系,根据温度变化数据,可用来计算液体温度效应的补偿系数,以准确反馈温度对液体本身密度的影响。同时公布温度补偿系数,区别于无算法用温度修正替代补偿的偏差局限。
仪表材质的温度变化也是影响相应检测结果的因素,通过实时的温度数值检测,以及材质刚性本身受温度影响的系数,将振动管材质部分温补添加到整个温度对液体影响中,才能真正准确的测量其相应的真实值。
可以根据客户需要,进行4-20毫安或485信号输出,方便客户进行工艺指导与调控。
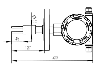
外形图




